Дополнительная информация
Фотографии станка
Общая компановка станка
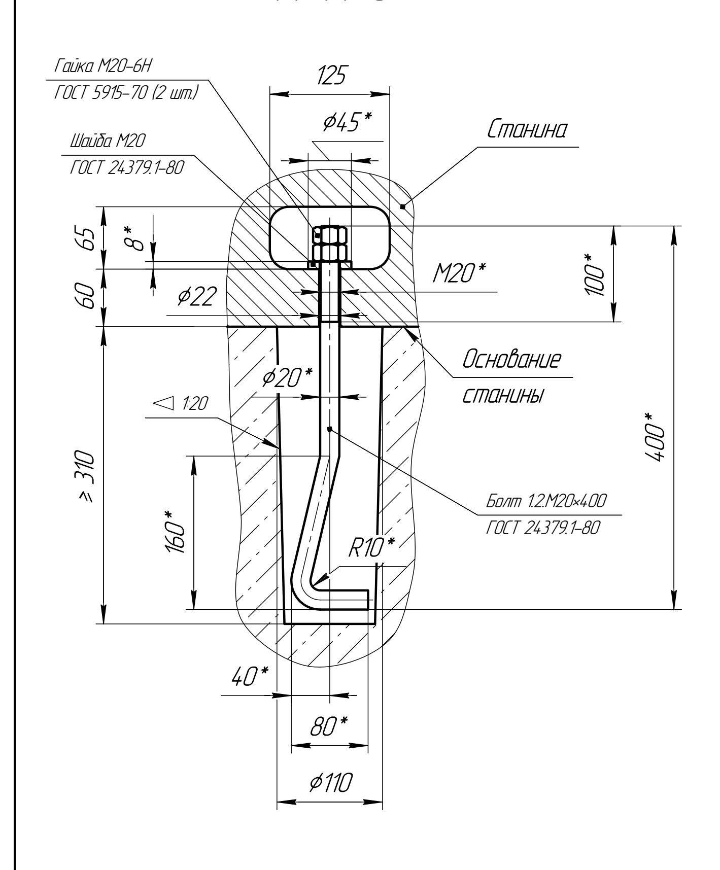
Кинематическая схема- Установочный чертеж станка
Интересное по теме 60%
Призыв к действию
Зубитроника — инженерный подход к каждому станку. Мы не просто восстанавливаем оборудование — мы усиливаем его под задачи вашего производства.
Зубодолбежные станки:
Отправить запрос




